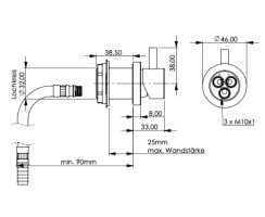
tap, mixer & shower